- Главная
- Гаражное оборудование
- Вывешивание двигателя
- Стенд Р500Е (800кг)
Стенд Р500Е (800кг)
- Обзор
- Характеристики
- Отзывы0

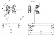
Предназначен для сборки-разборки двигателей автомобилей и других агрегатов отечественного и импортного производства весом до 800кг.
- Универсальные адаптеры позволяют легко установить на стенд любой двигатель, КПП, или другой узел весом до 800 кг.
- Самотормозящийся червячный редуктор позволяет повернуть и зафиксировать закрепленный на стенде двигатель или другой узел так, чтобы было удобно и качественно производить ремонтные работы.
- Разборная конструкция рамы стенда.
| Тип | Передвижной |
| Способ поворота | вручную через червячный редуктор |
| Грузоподъёмность | 800 кг |
| Габариты упаковки | 1192 × 875 × 1132 см |
| Вес | 165 кг |
| Бренд | Челябинский завод автосервисного оборудования |
Стенд Р500Е (800кг) отзывы
Рекомендуем посмотреть
Артикул: М216Е2
Предназначена для мойки агрегатов, двигателей, трансмиссий и деталей грузовых автомобилей,...
В наличии
Артикул: П 114Е-10
Предназначен для вывешивания над смотровой канавой или подъемником передних или задних мостов...
В наличии
Артикул: Ш515ЕУ
Стенд позволяет производить операции демонтажа и монтажа шин автобусов, грузовых авто,...
В наличии
Артикул: ДЛ-003
Предназначен для контроля наличия зазоров в подшипниках, шарнирах и других подвижных узлах...
В наличии
Артикул: 12Г272М
Предназначен для подъема легковых и грузовых автомобилей, автобусов при выполнении работ по...
В наличии
Артикул: 12Г272М1
Предназначен для подъема грузовых автомобилей, автобусов, специальной техники, строительных и...
В наличии
Артикул: Р770Е-3000
Предназначен для разборки-сборки различных агрегатов весом не более 3000кг.
В наличии
Артикул: Р500Е
Предназначен для сборки-разборки двигателей автомобилей и других агрегатов весом до 500кг.
В наличии
Артикул: Р1250
Предназначен для разборки-сборки двигателей, КПП и других агрегатов весом не более 1600 кг.
В наличии
Артикул: Р770Е
Предназначен для разборки-сборки различных агрегатов весом не более 3000кг.
В наличии
Артикул: Р776Е
Предназначен для разборки-сборки двигателей и других агрегатов весом до 2000 кг.
В наличии























































































































